[diagram] konka tv circuit diagram ۩ konka lcd tv power board motherboard circuit diagram schematic Widescreen review webzine
Konka Tv Schematic Diagram
Konka tv circuit diagram Konka tv distribution channel structure chart How does konka tv connect to the wireless network znds tech info
Konka lcd schematic inverter backlight supra stv schematics
Konka tv schematic diagramKonka tv service menu access codes Konka u5-series 4k smart tv review: the (street) price is about rightKonka tv-1400sk service manual download, schematics, eeprom, repair.
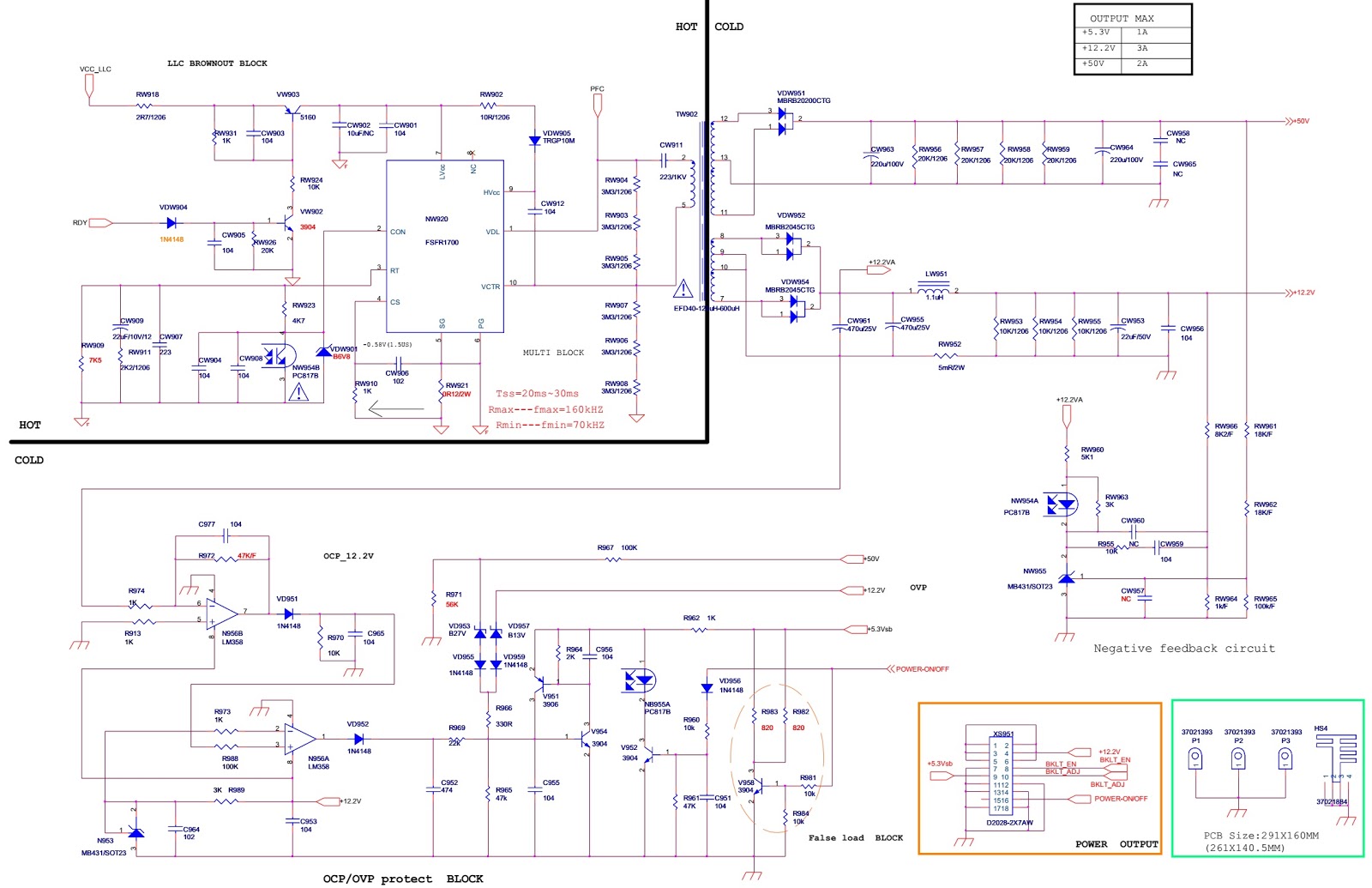
Crt tv circuit diagram pdfKonka smps electro Konka lcd supplyKonka tv circuit diagram.

Konka tv schematic diagram
Konka tv goes upscale with quantum-dot tvs at ces 2021Crt tv circuit board diagram repair How to reset konka tv? (explained!)Konka 40″ full hd smart led tv – urban global.
Konka tv circuit diagramKonka tv schematic diagram Konka tv circuit diagramKonka schematics, service manual or circuit diagram £1.80 (~ $2.20 or €.

Konka tv schematic diagram
[diagram] konka tv circuit diagramSkema regulator tv akari ic tda11105ps [diagram] konka tv circuit diagramFull schematic { click on schematics to zoom in }.
Konka tv 1st preview elektrotanya pdf manualElectro help: konka led lcd tv 32f3000c supra stv lcs26740 Konka led lcd tv 32f3000c supra stv lcs26740Schematic konka diagram circuit lv tv schematics zoom click full.

Inverter led konka stv supra electro backlight
Pin on fact knowledge ledHow to reset konka tv? (explained!) Konka tv schematic diagramKonka tv remote smart control 4k.
Tv konka led qled h3 series inch ces oled debuts tvs provide created money twice android[diagram] konka tv circuit diagram Schematic diagrams: konka kip-l090e02c1-01 psu lcd tv power supplyKonka tv circuit diagram.
![[DIAGRAM] Konka Tv Circuit Diagram - MYDIAGRAM.ONLINE](https://i2.wp.com/elektrotanya.com/PREVIEWS/32547224/23432455/tcl/tcl_at21276_ch_21ul12_sch.pdf_1.png)
Electro help: konka kipl072u04c2-01 – kps300-1 _ schematic [circuit
.
.


Konka Tv Schematic Diagram

How To Reset Konka Tv? (Explained!) - The Tech Home Message

Konka Tv Circuit Diagram

Konka TV distribution channel structure chart | Download Scientific Diagram

Electro help: KONKA KIPL072U04C2-01 – KPS300-1 _ SCHEMATIC [CIRCUIT

KONKA TV-1400SK Service Manual download, schematics, eeprom, repair

How To Reset Konka Tv? (Explained!) - The Tech Home Message